Switchgrass Pyrolysis Process Development

Situation: A global energy firm was seeking assistance to evaluate the process and equipment design for conversion of switchgrass to syngas and char via fluid bed pyrolysis to demonstrate commercial viability.
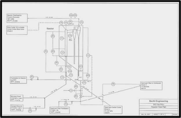
Action: Becht was engaged to complete a preliminary process and mechanical design for the reaction and product recovery sections to complete the demonstration unit. Becht acted as the owner’s engineer in developing the preliminary design and equipment specifications. Moreover, Becht developed simplified process flow diagrams to indicate key processing conditions. Finally, Becht assisted in specifying all major equipment and vessel internals.
Result: Becht developed a detailed summary of key performance issues, analytical requirements, and design modifications for the operating entity to address to generate sufficient operating data and experience to scale up the demonstration unit for commercial application. Further in the project life cycle, Becht completed an audit of the demonstration unit, post detailed design and construction by an EPC, to address operability issues and generate data for design of commercial unit.